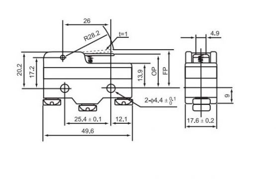
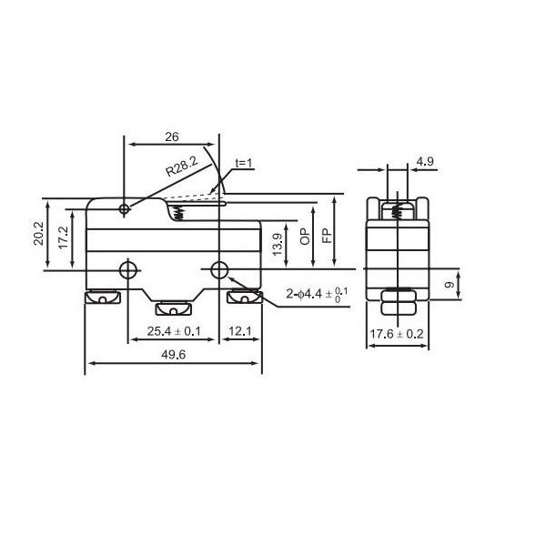
Description
- It is operated by the motion of a machine part or presence of an object.
- They are used for controlling machinery as part of a control system, as a safety interloaks, or to count objects passing a point.It is an electromechanical device that consists of an actuator mechanically linked to a set of contacts. When an object comes into contact with the actuator, the device operates the contacts to make or break an electrical connection.
- It is an electric switch that is actuated by very little physical force, through the use of a tipping point mechanism, sometimes called an over-center mechanism.
- It is very common due to it,s low cost but high durability, greater than 1 million cycles and up to 10 million cycles for heavy duty models. This durability is a natural consequence of the design.
- The defining feature of it is that a relatively small movement at the actuator button produces a relatively large movement at the electrical contacts, which occurs at high speed (regardless of the speed of actuation).









Reviews
There are no reviews yet.